產品特點:
1、流通量大、調壓精度高。
2、反應速度快、關閉性能好。
3、結構簡單、可在線維修。
4、壓力設定簡單。
5、當介質含有硫、苯等腐蝕性物質時,可選用抗腐蝕性材料。
主要技術參數:
·進口壓力P1:0.01~0.2MPa
·出口壓力P2:1~5;5~15;15~30KPa
·額定流量: 500~7000Nm3/h
·穩壓精度δP2:±10%
·關閉壓力Pb:≤1.2P2
·工作溫度:-20℃~60℃
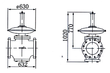
·公稱管徑:DN200、DN300

示意圖

RTZ-31(21)200KⅡ型燃氣調壓器*300K燃氣調壓器
附:RTZ-31(21)KⅡ型燃氣調壓器使用說明書